Отдел ремонта и сервиса:
+7 (343) 283-09-11
Отдел продаж:
+7 (343) 283-09-10
info@emt-ural.ru
Режим работы:
пн-пт, 6:00 - 16:00 мск
|
1.Общепромышленные электродвигатели
1.1. Электродвигатели АИР, 5А, АДМ
Мы осуществляем поставку и сервис общепромышленных электрических машин производства:
- ВЭМЗ (Владимирского электромоторного завода),
- МЭЗ (Могилевский завод электродвигатель),
- Элдин (Ярославский электромашиностроительный завод),
- УралЭлектро (Медногорский электротехнический завод).
Оригинальные запасные части для электродвигателей.
|
Конструкция электродвигателей:
- Сердечники статора и ротора электродвигателей изготавливаются из штампованных листов высококачественной электротехнической стали, легированной кремнием.
Сталь имеет термостойкое электроизоляционное покрытие. Сердечники статора скрепляются скобами.
- Обмотки статоров двигателей выполняются всыпными из круглого эмалированного медного провода.
- Обмотки роторов выполняются короткозамкнутыми литыми из чистого алюминия. Короткозамкнутые обмотки роторов двигателей с повышенным скольжением отливаются из алюминиевого сплава с повышенным удельным сопротивлением.
|
Степень защиты: IP54, IP55 и IP23 по ГОСТ 17494 (МЭК 60034-5).
Основное монтажное исполнение:IM 1081 (лапы), IM 2081 (комби), IM 3081 (фланец).
Напряжение питания: 220В/380В, 380В/660В при частоте 50 Гц.
Режим работы электродвигателей: S1-S8.
Система охлаждения: IC 041.
Электродвигатели имеют изоляционную систему класса нагревостойкости F (температурный индекс 155°С).
|
|
|
|
|
|

IM1081(IMB3) ЛАПЫ

IM2081(IMB35) КОМБИ

IM2181(IMB34) КОМБИ МАЛЫЙ ФЛАНЕЦ

IM3081(IMB5) ФЛАНЕЦ

IM3681(IMB14) МАЛЫЙ ФЛАНЕЦ
|
|
|
|
|
|
|
|
|
|
|
|
|
|
|
|
|
|
|
|
|
|
|
|
|
|
|
|
|
|
|
|
|
|
|
|
|
|
|
|
|
|
|
|
|
|
|
|
|
|
|
|
|
|
|
|
|
|
|
|
|
|
|
|
|
|
|
|
|
|
|
|
|
|
|
|
|
|
|
|
|
|
|
|
|
|
|
|
|
|
|
|
|
|
|
|
|
|
|
|
|
|
|
|
|
|
|
|
|
|
|
|
|
|
|
|
|
|
|
|
|
|
|
|
|
|
|
|
|
|
|
|
|
|
|
|
|
|
|
|
|
Наверх
1.2. Электродвигатели крановые короткозамкнутые
Крановые электродвигатели типа MTKH(F), 4MTKH(F) предназначены для работы
в электроприводах металлургических агрегатов и подъемно-транспортных
механизмах всех видов и поставляются на комплектацию башенных, козловых, портальных, мостовых и других кранов.
Частота вращения вала:
- 1000 об./мин.
- 750 об./мин.
- 600 об./мин.
Оригинальные запасные части для электродвигателей.
|
Конструкция электродвигателей:
- Сердечники статора и ротора электродвигателей изготавливаются из штампованных листов высококачественной электротехнической стали, легированной кремнием.
Сталь имеет термостойкое электроизоляционное покрытие. Сердечники статора скрепляются скобами.
- Обмотки статоров двигателей выполняются всыпными из круглого эмалированного медного провода.
- Обмотки роторов выполняются короткозамкнутыми литыми из чистого алюминия.
Короткозамкнутые обмотки роторов двигателей с повышенным скольжением отливаются из алюминиевого сплава с повышенным удельным сопротивлением.
|
Степень защиты: IP54, IP55 по ГОСТ 17494 (МЭК 60034-5).
Основное монтажное исполнение:IM 1002 (прямой вал), IM 1003 (конический вал)
Напряжение питания: 380В
Режим работы электродвигателей: S2, S3.
Система охлаждения: IC 041.
Электродвигатели имеют изоляционную систему:
- класса нагревостойкости F (температурный индекс 155°С).
- класса нагревостойкости H (температурный индекс 180°С).
|
|
|
|
|

IM1001

IM1002

IM1003
|
|
|
|
|
|
|
|
|
|
|
|
|
|
MTKF(H)-112-6 AMTKF(H)132M6 |
|
|
|
MTKF(H)-211A-6 AMTKF(H)132LA6 |
|
|
|
MTKF(H)-211B-6 AMTKF(H)132LB6 |
|
|
|
|
|
|
|
|
MTKF(H)-411-8 AMTKF(H)200LA8 |
|
|
MTKF(H)-411-6 AMTKF(H)200LA6 |
MTKF(H)-412-8 AMTKF(H)200LB8 |
|
|
MTKF(H)-412-6 AMTKF(H)200LB6 |
MTKF(H)-511-8 AMTKF(H)225M8 |
|
|
MTKF(H)-511-6 AMTKF(H)225M6 |
MTKF(H)-512-8 AMTKF(H)225L8 |
|
|
MTKF(H)-512-6 AMTKF(H)225L6 |
|
|
|
|
|
|
Наверх
1.3. Электродвигатели крановые с фазным ротором
Крановые электродвигатели типа MTH(F), 4MTH(F) предназначены для работы
в электроприводах металлургических агрегатов и подъемно-транспортных
механизмах всех видов и поставляются на комплектацию башенных, козловых, портальных, мостовых и других кранов.
Частота вращения вала:
- 1000 об./мин.
- 750 об./мин.
- 600 об./мин.
Оригинальные запасные части для электродвигателей.
|
Конструкция электродвигателей:
- Сердечники статора и ротора электродвигателей изготавливаются из штампованных листов высококачественной электротехнической стали, легированной кремнием.
Сталь имеет термостойкое электроизоляционное покрытие. Сердечники статора скрепляются скобами.
- Обмотки статоров двигателей выполняются всыпными из круглого эмалированного медного провода.
- Обмотки роторов выполняются ыполняются всыпными из круглого эмалированного медного провода.
- Подвижный контактный узел состоит из Блока колец, щеткодержателей со щетками и траверсы.
|
Степень защиты: IP54, IP55 по ГОСТ 17494 (МЭК 60034-5).
Основное монтажное исполнение:
ЛАПЫ: IM 1001, IM 1002 (прямой вал), IM 1003, IM 1004 (конический вал)
КОМБИ: IM 2001, IM 2002 (прямой вал), IM 2003, IM 2004 (конический вал)
Напряжение питания: 380В
Режим работы электродвигателей: S2, S3.
Система охлаждения: IC 041.
Электродвигатели имеют изоляционную систему:
- класса нагревостойкости F (температурный индекс 155°С).
- класса нагревостойкости H (температурный индекс 180°С).
|
|
|
|
|

IM1001 Один цилиндрический вал

IM1002 Два цилиндрических вала

IM1003 Один конический вал

IM1004 Два конических вала
|
|
|
|
|
|
|
|
|
|
|
|
|
|
|
|
|
|
MTF(H)-211A-6 4MTF(H)132LA6 |
|
|
|
MTF(H)-211B-6 4MTF(H)132LB6 |
|
|
|
|
|
|
|
|
MTF(H)-411-8 4MTF(H)200LA8 |
|
|
MTF(H)-411-6 4MTF(H)200LA6 |
MTF(H)-412-8 4MTF(H)200LB8 |
|
|
MTF(H)-412-6 4MTF(H)200LB6 |
|
|
|
|
|
MTF(H)-611-10 4MTF(H)280S10 |
|
|
|
MTF(H)-612-10 4MTF(H)280M10 |
|
|
|
MTF(H)-613-10 4MTF(H)280L10 |
|
|
|
MTF(H)-711-10 4MTF(H)400S10 |
|
|
|
MTF(H)-712-10 4MTF(H)400M10 |
|
|
|
MTF(H)-713-10 4MTF(H)400L10 |
|
|
|
|
Наверх
2. Высоковольтные электродвигатели
2.1. Высоковольтные электродвигатели серии А4-400 и А4-450
Электродвигатели переменного тока серии А4-400, А4-450 на напряжение 6 кВ, предназначены для работы
в электроприводах механизмов без регулировки частоты вращения (насосы, вентиляторы).
Структура обозначения:А4-400-Х4
А4 - серия электродвигателей;
400 - габарит, высота оси вращения;
Х - условное обозначение длины железа статора, ХК, Х, УК, У;
4 - число пар полюсов;
Частота вращения вала:
- 1500, 1000, 750, 600,500 об./мин.
Мощность:
- 250, 315, 400, 500, 630, 800, 1000 кВт
Оригинальные запасные части для электродвигателей.

Степень защиты: IP23 по ГОСТ 17494 (МЭК 60034-5).
Основное монтажное исполнение:
ЛАПЫ: IM 1001
Напряжение питания: 6000 В
Режим работы электродвигателей: S1
Система охлаждения: IC 041.
Электродвигатели имеют изоляционную систему:
- класса нагревостойкости F (температурный индекс 155°С).
|

Конструкция электродвигателей:
- Сердечники статора и ротора электродвигателей изготавливаются из штампованных листов высококачественной электротехнической стали, легированной кремнием.
Сталь имеет термостойкое электроизоляционное покрытие. Сердечники статора скрепляются скобами.
- Обмотка статора выполняются жесткими секциями из прямоугольного медного провода.
- Обмотка короткозамкнутого ротора литая.
|
|
|
|
|
|
|
|
|
|
|
|
|
|
|
|
|
|
|
|
|
|
|
|
|
|
|
|
|
|
|
|
|
|
|
|
|
|
|
|
|
|
|
|
|
|
|
|
|
|
|
|
|
|
|
|
|
|
|
|
|
|
|
|
|
|
|
|
|
|
|
|
|
|
|
|
|
|

IM1001(IMB3) ЛАПЫ IP23
|
|
|
|
|
|
|
|
|
|
|
|
|
|
|
|
|
|
|
|
|
|
|
|
|
|
|
|
|
|
|
|
|
|
|
|
|
|
|
|
|
|
|
|
|
|
|
|
|
Скачать каталог электродвигателей серии А4, АК4, ДАЗО4
Наверх
2.2. Высоковольтные электродвигатели серии АК4-400 и АК4-450
Электродвигатели переменного тока серии АК4-400, АК4-450 на напряжение 6 кВ, предназначены для работы
в электроприводах механизмов с регулировкой частоты вращения.
Структура обозначения:АК4-400-Х4
АК4 - серия электродвигателей с фазным ротором;
400 - габарит, высота оси вращения;
Х - условное обозначение длины железа статора, ХК, Х, УК, У;
4 - число пар полюсов;
Частота вращения вала:
- 1500, 1000, 750, 600,500 об./мин.
Мощность:
-200, 250, 315, 400, 500, 630, 800, 1000 кВт
Монтажное исполнение IM1001, степень защиты IP23.
Оригинальные запасные части для электродвигателей.
Степень защиты: IP23 по ГОСТ 17494 (МЭК 60034-5).
Основное монтажное исполнение:
ЛАПЫ: IM 1001
Напряжение питания: 6000В
Режим работы электродвигателей: S1
Система охлаждения: IC 041.
Электродвигатели имеют изоляционную систему:
- класса нагревостойкости F (температурный индекс 155°С).
|

Конструкция электродвигателей:
- Сердечники статора и ротора электродвигателей изготавливаются из штампованных листов высококачественной электротехнической стали, легированной кремнием.
Сталь имеет термостойкое электроизоляционное покрытие. Сердечники статора скрепляются скобами.
- Обмотка статора выполняются жесткими секциями из прямоугольного медного провода.
- Обмотка ротора стержневая, изготовлена из медной шины
- Щеточный узел состоит из блока колец, траверсы
|
|
|
|
|
|
|
|
|
|
|
|
|
|
|
|
|
|
|
|
|
|
|
|
|
|
|
|
|
|
|
|
|
|
|
|
|
|
|
|
|
|
|
|
|
|
|
|
|
|
|
|
|
|
|
|
|
|
|
|
|
|
|
|
|
|
|
|
|
|
|
|
|
|
|
|
|
|

IM1001(IMB3) ЛАПЫ IP23
|
|
|
|
|
|
|
|
|
|
|
|
|
|
|
|
|
|
|
|
|
|
|
|
|
|
|
|
|
|
|
|
|
|
|
|
|
|
|
|
|
|
|
|
|
|
|
|
|
Скачать каталог электродвигателей серии А4, АК4, ДАЗО4
Наверх
2.3. Высоковольтные электродвигатели серии ДАЗО4-400 и ДАЗО4-450 IP54
Электродвигатели переменного тока серии ДАЗО4-400, ДАЗО4-450 на напряжение 6 кВ, предназначены для работы
в электроприводах механизмов без регулировки частоты вращения.
Структура обозначения:ДАЗО4-400-Х4
ДАЗО4 - серия электродвигателей с короткозамкнутым ротором;
400 - габарит, высота оси вращения;
Х - условное обозначение длины железа статора, ХК, Х, УК, У;
4 - число пар полюсов;
Частота вращения вала:
- 1500, 1000, 750, 600, 500 об./мин.
Мощность:
-200, 250, 315, 400, 500, 630, 800 кВт
Монтажное исполнение IM1001, степень защиты IP23, IP54.
Оригинальные запасные части для электродвигателей.
Степень защиты: IP54 по ГОСТ 17494 (МЭК 60034-5).
Основное монтажное исполнение:
ЛАПЫ: IM 1001
Напряжение питания: 6000 В
Режим работы электродвигателей: S1
Система охлаждения: IC 0161.
Электродвигатели имеют изоляционную систему:
- класса нагревостойкости F (температурный индекс 155°С).
|

Конструкция электродвигателей:
- Сердечники статора и ротора электродвигателей изготавливаются из штампованных листов высококачественной электротехнической стали, легированной кремнием.
Сталь имеет термостойкое электроизоляционное покрытие. Сердечники статора скрепляются скобами.
- Обмотка статора выполняются жесткими секциями из прямоугольного медного провода.
|
|
|
|
|
|
|
|
|
|
|
|
|
|
|
|
|
|
|
|
|
|
|
|
|
|
|
|
|
|
|
|
|
|
|
|
|
|
|
|
|
|
|
|
|
|
|
|
|
|
|
|
|
|
|
|
|
|
|
|
|
|
|
|
|
|
|
|
|
|
|
|
|
|
|
|
|
|

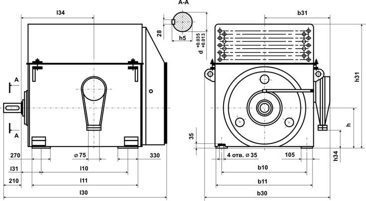
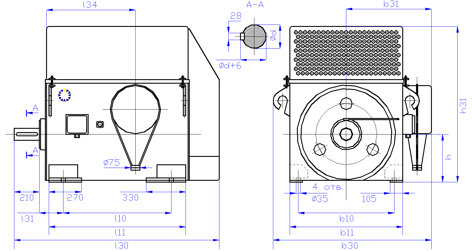
IM1001(IMB3) ЛАПЫ IP54
|
|
|
|
|
|
|
|
|
|
|
|
|
|
|
|
|
|
|
|
|
|
|
|
|
|
|
|
|
|
|
|
|
|
|
|
|
|
|
|
|
|
|
Скачать каталог электродвигателей серии А4, АК4, ДАЗО4
Наверх
|
|